世界首个“量子人工生命”成功实现!用量子力学解释生命起源

2018 年 10 月 7 日 新智元





  新智元报道  

来源:motherboard

 编辑:大明

【新智元导读研究人员利用量子计算机成功模拟出世界首个“量子人工生命”,有助于人们从量子力学的角度理解生命的运行机制,实现用量子力学解释生命的起源问题。未来的量子计算机能够在没有人工设计算法的情况下,实现自主模拟进化。

震撼!AI WORLD 2018世界人工智能峰会开场视频


量子力学可以解释生命的起源吗?如果可以,是否有量子算法来编码生命本身?


近日,一个国际化的研究团队有史以来第一次使用量子计算机创造出人工生命,即模拟生物体,科学家们可以用它来了解整个人群的生命机制,可以细微至细胞间的相互作用。

 

简单来讲,科学家们利用量子计算机,在微观水平上将超导量子比特表示的个体生物体进行“交配”,也就是与其周围环境进行相互作用,并令其“死亡”来模拟影响进化的一些主要因素。


新创建的量子算法能够实现自我复制、变异、个体之间的交互以及(不可避免地)死亡相关的编码行为,这证明量子计算机确实可以模拟现实世界中的一些生物模式。


这项新的突破性研究发表在周四的Scientific Report上,虽然只是一个早期的概念验证原型,但它为进一步深入探讨量子力学与生命起源之间的关系打开了大门,最终可能有助于回答生命的起源是否可以用量子力学来解释的问题。


五量子比特量子处理器,模拟个体间自我复制、变异、个体之间的交互

 

量子人工生命模型可以用来研究科学中最令人困惑的问题之一:生命是如何从惰性物质中产生的,这些惰性物质如,曾经存在于地球上的有机分子中的“原生汤(primordial soup)”。

 

1944年,量子物理学家埃尔文·薛定谔首先提出,这个问题的答案可能存在于量子领域中。但是,由于当时人们无法打造出用于模拟这个问题的强大的量子计算机,因此进展比较缓慢。


后来,在计算机内部创建人工生命已经成为许多实验的主题,但是当前的软件通常采用经典的牛顿方法——一步一步地进行逻辑推进来生成这些模型。


如果加入量子的元素,模拟不再局限于1和0,而是可以引入我们在日常生活中看到的一些随机性,这有望开辟一个探索的全新领域,就像在一个全新的物理层面上玩模拟人生一样。


Scientific Report报道了由物理学家Enrique Solano和巴斯克科学基金会领导的研究团队最新成果。


Enrique Solano


与今天常用的“经典”计算机不同(只处理二进制位信息,其值可以是1或0),量子计算机使用的是量子比特,其信息值可以是1和0的组合。这种名为叠加性的特性,意味着大规模量子计算机将具有比传统计算机更强大的信息处理能力。

 

研究团队的目标是创建一个计算机模型,复制量子计算机上的达尔文进化过程。为此,研究人员使用IBM开发的五量子比特量子处理器,可通过云访问。

 

这种量子算法模拟了主要的生物过程,如自我复制、突变、个体间的相互作用,以及量子比特级的“死亡”。最终结果精确模拟了在微观层面上发挥作用的进化过程。

 

Solano 表示:“生命是一种复杂的宏观特征,是从无生命的物质中出现的,而量子信息是量子比特的特征–在非常小的宇宙中的微观孤立的物体。我们的研究将这些令人惊讶的复杂事件称为'生命',从而进入了原子和微观世界......而且真的见效了。”

 

在模型中,研究人员使用两个量子比特表示个体。其中一个量子比特代表个体的基因型,即某特征背后的遗传密码,另一个量子比特代表其表型,即该特征的物理表达。

 

为了模拟自我复制过程,该算法通过纠缠将基因型的期望值(所有可能测量的概率的平均值)复制到新的量子比特上,这是一个量子比特链接的过程,目的是让它们之间即时交换信息。为了解释突变,研究人员将随机量子比特旋转编码到应用于基因型量子比特的算法中。

 

然后,算法会模拟个体与其环境之间的相互作用,比如老化并最终死亡。这一过程通过从上一步骤中的自我复制动作中获取新基因型,并通过量子纠缠,将其转移到另一个量子比特来完成。新的量子比特代表了个体的表型。而个体的生命周期——即信息通过与环境的相互作用发生降解或消散所需的时间,则取决于该表型中编码的信息。

 

最后,这些个体会互相交流。这需要四个量子比特(两种基因型和两种表型)来完成,但如果它们满足在其基因型量子比特中编码的某些标准,则表型仅交互并交换信息。

 

这种交互会产生一个新的个体,重新开始上述的过程。研究人员将这一过程一共重复进行了超过24000次。


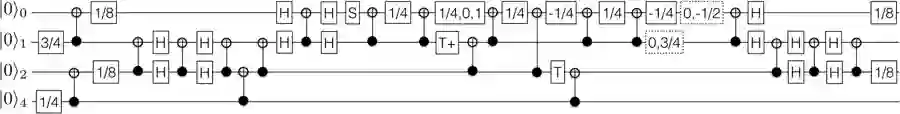
完整的量子人工生命协议的量子电路图

 

现在,科学家们已经演示了量子人工生命算法,下一步是对算法进行缩放,以适用于更多个体并扩展这些个体的特征。Solano表示,他和他的同事们正致力于为量子比特添加“性别特征”,以进一步探索量子级别上的社交和两性间交互。

 

“对物种的生存和繁殖来说,我们可能会发现两种以上的性别更好,也可能无性更好。”Solano说。

 

除此之外,Solano和同事们希望在他们的量子人工生命模拟中扩大个体之间发生的相互作用的数量。然而,这最终要取决于量子计算硬件本身的可扩展能力。

 

虽然实现所谓的“量子至上”所需的计算技术尚未完全实现,但Solano及其同事的研究最终可能会导致量子计算机能够在没有人工预先设计算法的情况下实现自主模拟进化。


参考链接:

https://motherboard.vice.com/en_us/article/mbdxav/researchers-created-quantum-artificial-life-for-the-first-time

https://www.nature.com/articles/s41598-018-33125-3#Abs1


更多阅读:

【Github 4K星】BAT头条滴滴小米等笔试面经+深度学习/算法/NLP资源汇总!

AI算力需求100万倍增长,如何优化AI计算系统弥平鸿沟?

黄超:清洁环卫自动驾驶,实现无人驾驶商业和社会双重价值


新智元AI WORLD 2018

世界人工智能峰会全程回顾


新智元于9月20日在北京国家会议中心举办AI WORLD 2018世界人工智能峰会,邀请机器学习教父、CMU教授 Tom Mitchell,迈克思·泰格马克,周志华,陶大程,陈怡然等AI领袖一起关注机器智能与人类命运。


全程回顾新智元 AI World 2018 世界人工智能峰会盛况: 

爱奇艺 

上午:https://www.iqiyi.com/v_19rr54cusk.html 

下午:https://www.iqiyi.com/v_19rr54hels.html

新浪:http://video.sina.com.cn/l/p/1724373.html

登录查看更多
0

相关内容

人工生命,指通过人工模拟生命系统,来研究生命的领域,是由人工智能产生的概念。 人工生命是借助计算机以及其他非生物媒介,实现一个具有生物系统应有特征的过程或系统。
关于研究以化学和生物工程方式,人为地创造真正的生物,见「人造生命」。
专知会员服务
102+阅读 · 2020年3月19日
图神经网络表达能力的研究综述,41页pdf
专知会员服务
173+阅读 · 2020年3月10日
专知会员服务
213+阅读 · 2019年8月30日
物理学家终于找到了一种拯救薛定谔猫的方法
中科院物理所
8+阅读 · 2019年6月10日
丘成桐:攻克物理难题的数学大师
科技导报
5+阅读 · 2018年7月23日
量子计算
人工智能学家
7+阅读 · 2018年4月6日
你知道量子计算吗?它超酷的!
微软研究院AI头条
4+阅读 · 2018年3月16日
CCCF专栏:黄铁军| 也谈强人工智能
中国计算机学会
5+阅读 · 2018年2月15日
【人工智能】重磅:中国人工智能40年发展简史
产业智能官
7+阅读 · 2017年11月12日
量子世界的因果关系
中国物理学会期刊网
9+阅读 · 2017年8月5日
Physical Primitive Decomposition
Arxiv
4+阅读 · 2018年9月13日
VIP会员
相关资讯
物理学家终于找到了一种拯救薛定谔猫的方法
中科院物理所
8+阅读 · 2019年6月10日
丘成桐:攻克物理难题的数学大师
科技导报
5+阅读 · 2018年7月23日
量子计算
人工智能学家
7+阅读 · 2018年4月6日
你知道量子计算吗?它超酷的!
微软研究院AI头条
4+阅读 · 2018年3月16日
CCCF专栏:黄铁军| 也谈强人工智能
中国计算机学会
5+阅读 · 2018年2月15日
【人工智能】重磅:中国人工智能40年发展简史
产业智能官
7+阅读 · 2017年11月12日
量子世界的因果关系
中国物理学会期刊网
9+阅读 · 2017年8月5日
Top
微信扫码咨询专知VIP会员