【材料课堂】神秘材料处理工艺:深冷处理

2018 年 11 月 6 日 材料科学与工程
点击上方「材料科学与工程」快速关注
材料类综合、全面、专业的微信平台


随着机械工业的不断发展,对金属材料的要求也越来越高,如何在材料以及热处理工艺既定的前提下尽量提高金属工件的机械性能及使用寿命,这成为很多热处理行业前沿人士思考并探索的问题。钢材在热处理工艺之后,其硬度及机械性能均大大提高,但热处理后依然有残存的以下问题: 

  1. 残余奥氏体。其比例大约有10%-20%,由于奥氏体很不稳定,当受到外力作用或环境温度改变时,易转变为马氏体,而奥氏体与马氏体的比容不一样,将造成材料的不规则膨胀,降低工件的尺寸精度。

  2. 组织晶粒粗大,材料碳化物固溶过饱和。 

  3. 残余内应力。热处理后的残余内应力将降低材料的疲劳强度以及其他机械性能,在应力释放过程中且易导致工件的变形。


经过国内外许多金属材料研究者的不懈研究,深冷及超深冷处理工被认为可以解决以上问题。


一、 什么是深冷处理?


深冷处理是将金属在-100℃下进行处理,使柔软的残余奥氏体几乎全部转变成高强度的马氏体,并能减少表面疏松,降低表面粗糙度的一个热处理后工序,当这个工序完成后,不仅仅是表面,几乎可以使整个金属的强度增加,耐磨性增加,韧性增加,其他性能指标改善,从而使得模具和刀具翻新数次后仍然具有高的耐磨性和高的强度,寿命成倍增加。而未进行深冷处理的刀剪产品,翻新后寿命会显著降低。深冷处理不仅应用于刀剪产品,而且能应用于制作刀剪产品的模具上,同样可以使模具寿命显著提高


二、深冷处理的机理


1、 消除残余奥氏体:

一般淬火回火后的残余奥氏体在8~20%左右,残余奥氏体会随着时间的推移进一步马氏体化,在马氏体转变过程中,会引起体积的膨胀,从而影响到尺寸精度,并且使晶格内部应力增加,严重影响到金属性能,深冷处理一般能使残余奥氏体降低到2%以下,消除残余奥氏体的影响。如果有较多的残余奥氏体,强度降低,在周期应力作用下,容易疲劳脱落,造成附近碳化物颗粒悬空,很快与基体脱落,产生剥落坑,形成较大粗糙度的表面。


2、填补内部空隙,使金属表面积即耐磨面增大:

深冷处理使得马氏体填补内部空隙,使得金属表面更加密实,使耐磨面积增加,晶格更小,合金成分析出均匀,淬火层深度增加,而且不仅仅是表面,使翻新次数增加,寿命提高。


3、析出碳化物颗粒:

深冷处理不仅减少残余马氏体,还可以析出碳化物颗粒,而且可细化马氏体孪晶,由于深冷时马氏体的收缩迫使晶格减少,驱使碳原子的析出,而且由于低温下碳原子扩散困难,因而形成的碳化物尺寸达纳米级,并附着在马氏体孪晶带上,增加硬度和韧性。深冷处理后金属的磨损形态与未深冷的金属显著不同,说明它们的磨损机理不同。深冷处理可以使绝大部分残余奥氏体马氏体化,并在马氏体内析出高弥散度的碳化物颗粒,伴随着基体组织的细微化,这种改变无法用传统的金属学,相变理论来解释,也不是以原子扩散形式来进行的,一般 -150℃~-180℃下,原子已经失去了扩散能力,只能以物理学能量观点来解释,其转变机理目前尚未研究清楚。因此有待人们进一步探讨。


4、 减少残余应力;

5、 使金属基体更加稳定;

6、 使金属材料的强度、韧性增加;

7、 使金属硬度提高约HRC1~2;

8、 红硬性显著增加;


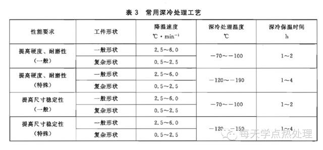
三、 深冷工艺


通常的深冷处理,是按照降温,保温,和升温三个阶段来进行的。

1、 通用的深冷处理工艺:以每分钟降低0.25~0.5℃以内的速度,降低到-185℃,降温时间约12小时,然后保温2436小时,再缓慢的以每分钟降低0.25~0.5℃以内的速度升到室温或更高温度(+160℃)

吉列公司就是用上述曲线。


2、各阶段的意义

1)降温阶段

缓慢降温的目的是彻底消除残余应力。因为淬火和回火的过程中,金属基体内会产生残余应力,在残余奥氏体在向马氏体转变的过程中,发生体积膨胀,也会使得残余应力增加,只有缓慢降温,才能抵消残余应力的增加,并彻底消除残余应力。基体内的残余应力一般情况下大家不予重视,但正是基体内的残余应力,使得刀剪产品产生崩裂等缺陷。快速降温反而会增加残余应力。


2 保温阶段

保温的目的是使基体内的残余奥氏体尽可能的全部转变为马氏体,并尽可能多的产生碳化物颗粒,因为残余奥氏体向马氏体转变的过程是个缓慢的过程,保温时间的长短会影响到残余奥氏体转变的量,同时深冷后寿命的高低主要是保温时间的长短来决定的,通常情况下,保温24小时性能已经有所改善,但如果是高质量的产品,均需要使用24小时以上的保温时间,寿命的提高倍数与保温时间的长短有直接关系。


3)升温阶段

缓慢升温的过程主要目的就是防止残余应力的产生。国内深冷处理的研究因设备的限制一般采用液氮直冷法,即工件直接放入液氮内,保温时间比较短,一般保温时间与直径(mm)一致,这种办法会很大程度的增加残余应力,虽性能有所改善,但毕竟不是一种安全可靠的方法。升温阶段一般升到室温即可,如果考虑到零件的特殊用途,如工作温度比较高等,可以再缓慢升到+160℃。从深冷的机理可以看出,以上的工艺曲线与材料的材质及大小关系不大,只是处理后的效果因材料因素而不同,国外几乎所有的工模具,刀剪,量刃具等都采用这种工艺进行深冷处理,而我国一些企业因为成本的原因,往往采用偷工减料的办法,所以成效不高


3、深冷处理最佳时机

一般认为,深冷处理应该在工件淬火两个小时内处理效果最好,因为残余奥氏体随着时间的推移会逐步向马氏体转变,而且转变后的马氏体会进行固化,从而析出碳化物的能力降低。


四、常用适合深冷处理的钢材



GB/T 25743有关深冷处理工艺的分类


五、 影响深冷效果的因素


1、 同样的深冷处理工艺因材质不同而效果不同

2、 同样的深冷处理工艺因工件形状不同而效果不同

3、 温度越低,效果越好

4、 时间越长,效果越好

5、 深冷处理后材料的耐腐蚀性有所提高


六、 深冷处理目前国内外的发展状况

上世纪30年代,人们发现在阿尔啤斯雪山放工具一段时间后比较好用,并且用的时间更长。美国研究人员于1965年发现深冷处理可以使工模具刀具耐磨性增加,日本、德国、俄罗斯等国诸多学者也相继开展了深冷处理技术的研究工作,上世纪七十年代,美国深冷处理工艺在工模具、刀剪、量具上进行应用,大范围应用是在上世纪八十年代,目前美国和欧洲的模具,刀剪等行业已经应用普遍,并且有很多专业深冷处理加工厂,利用现成的工艺为客户进行深冷处理,并承诺无效退款。瑞士军刀和吉列公司的剃须刀片均进行过深冷处理。


我国深冷处理的研究相对较晚,真正理论性的研究几乎很少,大部分是一些外资企业进到中国后带来的技术,主要应用在一些旨在消除残余奥氏体等简单应用上,对于深层次的应用尚待时机,特别是刀剪行业,更是微乎其微。质量上台阶,寿命的提高,增强国际竞争力,需要进行这方面的研究和应用,可以肯定的说,将来的产品一定会走这条路的。制约国内发展的原因:

1.资料甚少,应用不广,造成信息不通畅。

2.持怀疑态度,能否真的增加寿命?

3.液氮来源不畅,价格不菲。

4.增加成本,售价不会增加,这是主要制约因素。


来源:每天学点热处理,欢迎分享转发至朋友圈。


投稿、合作,点击此处

让更多人了解你的成果、产品!

投稿邮箱:mse_material@163.com

商务合作请联系:微信vae6791

或者QQ1248284077

长按识别,材料行业都在关注的公众号

登录查看更多
0

相关内容

【2020新书】监督机器学习,156页pdf,剑桥大学出版社
专知会员服务
154+阅读 · 2020年6月27日
最新《深度多模态数据分析》综述论文,26页pdf
专知会员服务
302+阅读 · 2020年6月16日
最新《机器学习理论初探》概述
专知会员服务
48+阅读 · 2020年5月19日
【MIT】Yufei Zhao《图论与加法组合学》,177页pdf
专知会员服务
51+阅读 · 2020年4月27日
【CVPR2020】图神经网络中的几何原理连接
专知会员服务
57+阅读 · 2020年4月8日
【经典书】精通机器学习特征工程,中文版,178页pdf
专知会员服务
360+阅读 · 2020年2月15日
【精益】精益生产与智能制造的联系和支撑
产业智能官
39+阅读 · 2019年9月14日
【材料课堂】TEM复杂电子衍射花样的标定原理
材料科学与工程
39+阅读 · 2019年4月12日
【CPS】信息物理融合系统理论与应用专刊序言
产业智能官
7+阅读 · 2019年2月27日
【智能制造】智能制造的核心——智能决策
产业智能官
12+阅读 · 2018年4月11日
Foreground-aware Image Inpainting
Arxiv
4+阅读 · 2019年1月17日
Arxiv
5+阅读 · 2018年10月11日
VIP会员
相关VIP内容
【2020新书】监督机器学习,156页pdf,剑桥大学出版社
专知会员服务
154+阅读 · 2020年6月27日
最新《深度多模态数据分析》综述论文,26页pdf
专知会员服务
302+阅读 · 2020年6月16日
最新《机器学习理论初探》概述
专知会员服务
48+阅读 · 2020年5月19日
【MIT】Yufei Zhao《图论与加法组合学》,177页pdf
专知会员服务
51+阅读 · 2020年4月27日
【CVPR2020】图神经网络中的几何原理连接
专知会员服务
57+阅读 · 2020年4月8日
【经典书】精通机器学习特征工程,中文版,178页pdf
专知会员服务
360+阅读 · 2020年2月15日
Top
微信扫码咨询专知VIP会员