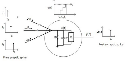
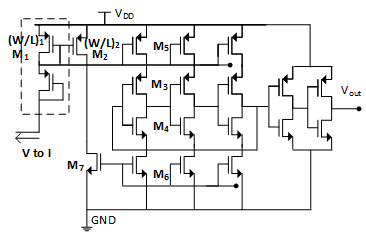
Sensor nodes in a wireless sensor network (WSN) for security surveillance applications should preferably be small, energy-efficient, and inexpensive with in-sensor computational abilities. An appropriate data processing scheme in the sensor node reduces the power dissipation of the transceiver through the compression of information to be communicated. This study attempted a simulation-based analysis of human footstep sound classification in natural surroundings using simple time-domain features. The spiking neural network (SNN), a computationally low-weight classifier derived from an artificial neural network (ANN), was used to classify acoustic sounds. The SNN and required feature extraction schemes are amenable to low-power subthreshold analog implementation. The results show that all analog implementations of the proposed SNN scheme achieve significant power savings over the digital implementation of the same computing scheme and other conventional digital architectures using frequency-domain feature extraction and ANN-based classification. The algorithm is tolerant of the impact of process variations, which are inevitable in analog design, owing to the approximate nature of the data processing involved in such applications. Although SNN provides low-power operation at the algorithm level itself, ANN to SNN conversion leads to an unavoidable loss of classification accuracy of ~5%. We exploited the low-power operation of the analog processing SNN module by applying redundancy and majority voting, which improved the classification accuracy, taking it close to the ANN model.


翻译:用于安全监视应用的无线传感器网络中传感器节点的传感器节点最好应当是小型的、节能的、廉价的、具有感应器计算能力的小型、节能的、低廉且具有感应器计算能力。传感器节点中的适当数据处理方案通过压缩信息来减少收发器的耗电量。这项研究试图利用简单的时间-地貌特征和ANN的分类,对自然环境中的人类脚步声分类进行模拟分析;由人工神经网络(ANN)产生的计算性低重量分级器神经网络(SNN)被用来对声响进行分类。SNN和所需地物提取计划适合低功率的低功率低功率低功率亚值执行。虽然SNNN计划的所有模拟实施都通过数字实施同一计算计划和其他传统数字结构,利用频率-地貌特征提取和以ANNE为基础的分类,实现了显著的节能节省力。由于此类应用中的数据处理的近似性质,在模拟设计中是不可避免的。虽然SNNNNR将低功率操作的精度转换为S-NNA级的精度的精度,但S-NNNNAS级的精度的精度操作在S级的精度的精度的精度操作本身的精度转换为S-MLA-CLA-CLA-CLA-CLA-CL的精度的精度的精度的精度的精度的精度的精度的精度,通过S-CLA-CLA-CLA-CLDLLLILLLA到S的精度操作本身的精度的精度的精度的精度的精度的精度的精度的精度的精度的精度,我们的精度的精度的精度的精度的精度的精度,我们的精度的精度的精度的精度的精度的精度的精度的精度的精度的精度的精度的精度的精度的精度的精度的精度的精度的精度的精度的精度的精度的精度的精度的精度的精度的精度的精度的精度的精度的精度的精度

0
下载
关闭预览

相关内容

神经网络(Neural Networks)是世界上三个最古老的神经建模学会的档案期刊:国际神经网络学会(INNS)、欧洲神经网络学会(ENNS)和日本神经网络学会(JNNS)。神经网络提供了一个论坛,以发展和培育一个国际社会的学者和实践者感兴趣的所有方面的神经网络和相关方法的计算智能。神经网络欢迎高质量论文的提交,有助于全面的神经网络研究,从行为和大脑建模,学习算法,通过数学和计算分析,系统的工程和技术应用,大量使用神经网络的概念和技术。这一独特而广泛的范围促进了生物和技术研究之间的思想交流,并有助于促进对生物启发的计算智能感兴趣的跨学科社区的发展。因此,神经网络编委会代表的专家领域包括心理学,神经生物学,计算机科学,工程,数学,物理。该杂志发表文章、信件和评论以及给编辑的信件、社论、时事、软件调查和专利信息。文章发表在五个部分之一:认知科学,神经科学,学习系统,数学和计算分析、工程和应用。 官网地址:http://dblp.uni-trier.de/db/journals/nn/
Keras François Chollet 《Deep Learning with Python 》, 386页pdf
专知会员服务
161+阅读 · 2019年10月12日
强化学习最新教程,17页pdf
专知会员服务
182+阅读 · 2019年10月11日
[综述]深度学习下的场景文本检测与识别
专知会员服务
78+阅读 · 2019年10月10日
【哈佛大学商学院课程Fall 2019】机器学习可解释性
专知会员服务
105+阅读 · 2019年10月9日
【SIGGRAPH2019】TensorFlow 2.0深度学习计算机图形学应用
专知会员服务
41+阅读 · 2019年10月9日
VCIP 2022 Call for Demos
CCF多媒体专委会
1+阅读 · 2022年6月6日
ACM MM 2022 Call for Papers
CCF多媒体专委会
5+阅读 · 2022年3月29日
IEEE TII Call For Papers
CCF多媒体专委会
3+阅读 · 2022年3月24日
ACM TOMM Call for Papers
CCF多媒体专委会
2+阅读 · 2022年3月23日
AIART 2022 Call for Papers
CCF多媒体专委会
1+阅读 · 2022年2月13日
【ICIG2021】Check out the hot new trailer of ICIG2021 Symposium7
中国图象图形学学会CSIG
0+阅读 · 2021年11月15日
【ICIG2021】Check out the hot new trailer of ICIG2021 Symposium4
中国图象图形学学会CSIG
0+阅读 · 2021年11月10日
【ICIG2021】Check out the hot new trailer of ICIG2021 Symposium3
中国图象图形学学会CSIG
0+阅读 · 2021年11月9日
【ICIG2021】Check out the hot new trailer of ICIG2021 Symposium1
中国图象图形学学会CSIG
0+阅读 · 2021年11月3日
Hierarchically Structured Meta-learning
CreateAMind
27+阅读 · 2019年5月22日
国家自然科学基金
3+阅读 · 2015年12月31日
国家自然科学基金
2+阅读 · 2015年12月31日
国家自然科学基金
0+阅读 · 2013年12月31日
国家自然科学基金
0+阅读 · 2013年12月31日
国家自然科学基金
0+阅读 · 2013年12月31日
国家自然科学基金
0+阅读 · 2013年12月31日
国家自然科学基金
0+阅读 · 2012年12月31日
Arxiv
24+阅读 · 2018年10月24日
Arxiv
20+阅读 · 2018年1月17日
VIP会员
相关资讯
VCIP 2022 Call for Demos
CCF多媒体专委会
1+阅读 · 2022年6月6日
ACM MM 2022 Call for Papers
CCF多媒体专委会
5+阅读 · 2022年3月29日
IEEE TII Call For Papers
CCF多媒体专委会
3+阅读 · 2022年3月24日
ACM TOMM Call for Papers
CCF多媒体专委会
2+阅读 · 2022年3月23日
AIART 2022 Call for Papers
CCF多媒体专委会
1+阅读 · 2022年2月13日
【ICIG2021】Check out the hot new trailer of ICIG2021 Symposium7
中国图象图形学学会CSIG
0+阅读 · 2021年11月15日
【ICIG2021】Check out the hot new trailer of ICIG2021 Symposium4
中国图象图形学学会CSIG
0+阅读 · 2021年11月10日
【ICIG2021】Check out the hot new trailer of ICIG2021 Symposium3
中国图象图形学学会CSIG
0+阅读 · 2021年11月9日
【ICIG2021】Check out the hot new trailer of ICIG2021 Symposium1
中国图象图形学学会CSIG
0+阅读 · 2021年11月3日
Hierarchically Structured Meta-learning
CreateAMind
27+阅读 · 2019年5月22日
相关基金
国家自然科学基金
3+阅读 · 2015年12月31日
国家自然科学基金
2+阅读 · 2015年12月31日
国家自然科学基金
0+阅读 · 2013年12月31日
国家自然科学基金
0+阅读 · 2013年12月31日
国家自然科学基金
0+阅读 · 2013年12月31日
国家自然科学基金
0+阅读 · 2013年12月31日
国家自然科学基金
0+阅读 · 2012年12月31日
Top
微信扫码咨询专知VIP会员