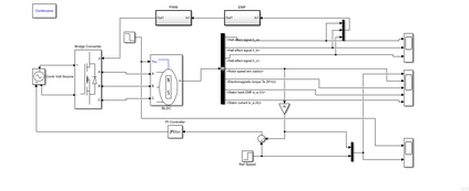
Artificial Neural Network (ANN) is a simple network that has an input, an output, and numerous hidden layers with a set of nodes. Implementation of ANN algorithms in electrical, and electronics engineering always satisfies with the expected results as ANN handles binary data more accurately. Brushless Direct Current motor (BLDC motor) uses electronic closed-loop controllers to switch DC current to the motor windings and produces the magnetic fields. The BLDC motor finds various applications owing to its high speed, low maintenance and adequate torque capability. They are highly preferred than the other motors because of their better performance and it is easy to control their speed by Power Converters. This article presents a method of speed control of BLDC motors where speed is controlled by changing the DC input voltage of the bridge converter that feeds the motor winding. The control is done by using a PI based speed controller. The motor is modeled in the MATLAB/Simulink and the speed control is obtained with a PI controller. EMF signals, rotor speed, electromagnetic torque, Hall Effect signals, PWM and EMF signals simulations are then obtained. This acquired data is then fed into binary artificial neural networks and as a result, the ANN model predicts the corresponding parameters close to the simulation results. Both the mathematical based simulation and data based prediction gives satisfactory results


翻译:人工神经网络(ANN)是一个简单的网络,具有输入、输出和多个隐藏层,带有一组节点。在电气和电子工程中实施ANN算法总是与预期结果一致,因为ANN更准确地处理二进制数据。无粉直流电流(BLDC 发动机)使用电子闭路控制器将DC流切换到发动机风速并生产磁场。BLDC发动机因其高速度、低维护率和适当的模拟性能而发现各种应用程序。由于其他发动机的性能更好,因此它们比其他发动机更受青睐,而且很容易由电源转换器控制其速度。此文章展示了BLDC发动机的速度控制方法,通过改变驱动发动机风速的桥梁转换器的DC输入电压控制速度。控制是通过基于 PI 速度控制器的调控器进行操作的。该发动机在MATLAB/Similink中建模,并且与PI控制者一起获得速度控制。 EMF信号、旋速度速度速度、转速速、电磁感控器、声效果转换器转换器转换器、声波效果测试结果,该模型和EMFMUMM 数据是随后获得的结果。

0
下载
关闭预览

相关内容

机器学习组合优化
专知会员服务
110+阅读 · 2021年2月16日
【IJCAJ 2020】多通道神经网络 Multi-Channel Graph Neural Networks
专知会员服务
26+阅读 · 2020年7月19日
【知识图谱@ACL2020】Knowledge Graphs in Natural Language Processing
专知会员服务
66+阅读 · 2020年7月12日
神经网络的拓扑结构,TOPOLOGY OF DEEP NEURAL NETWORKS
专知会员服务
35+阅读 · 2020年4月15日
Keras François Chollet 《Deep Learning with Python 》, 386页pdf
专知会员服务
161+阅读 · 2019年10月12日
语言模型及Word2vec与Bert简析
AINLP
6+阅读 · 2020年5月7日
谷歌足球游戏环境使用介绍
CreateAMind
33+阅读 · 2019年6月27日
已删除
将门创投
5+阅读 · 2019年4月4日
Call for Participation: Shared Tasks in NLPCC 2019
中国计算机学会
5+阅读 · 2019年3月22日
Ray RLlib: Scalable 降龙十八掌
CreateAMind
9+阅读 · 2018年12月28日
A Technical Overview of AI & ML in 2018 & Trends for 2019
待字闺中
18+阅读 · 2018年12月24日
笔记 | Sentiment Analysis
黑龙江大学自然语言处理实验室
10+阅读 · 2018年5月6日
R文本分类之RTextTools
R语言中文社区
4+阅读 · 2018年1月17日
Highway Networks For Sentence Classification
哈工大SCIR
4+阅读 · 2017年9月30日
VIP会员
相关资讯
语言模型及Word2vec与Bert简析
AINLP
6+阅读 · 2020年5月7日
谷歌足球游戏环境使用介绍
CreateAMind
33+阅读 · 2019年6月27日
已删除
将门创投
5+阅读 · 2019年4月4日
Call for Participation: Shared Tasks in NLPCC 2019
中国计算机学会
5+阅读 · 2019年3月22日
Ray RLlib: Scalable 降龙十八掌
CreateAMind
9+阅读 · 2018年12月28日
A Technical Overview of AI & ML in 2018 & Trends for 2019
待字闺中
18+阅读 · 2018年12月24日
笔记 | Sentiment Analysis
黑龙江大学自然语言处理实验室
10+阅读 · 2018年5月6日
R文本分类之RTextTools
R语言中文社区
4+阅读 · 2018年1月17日
Highway Networks For Sentence Classification
哈工大SCIR
4+阅读 · 2017年9月30日
Top
微信扫码咨询专知VIP会员