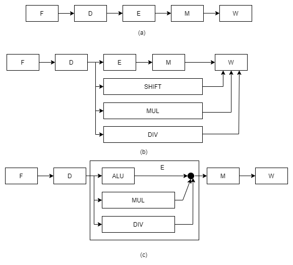
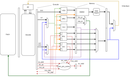
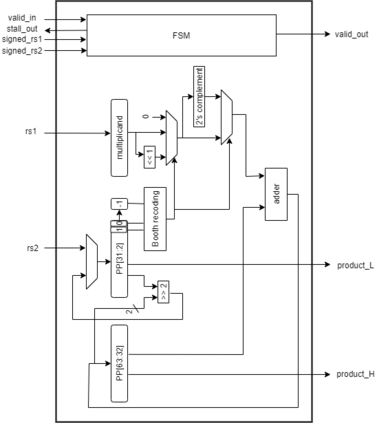
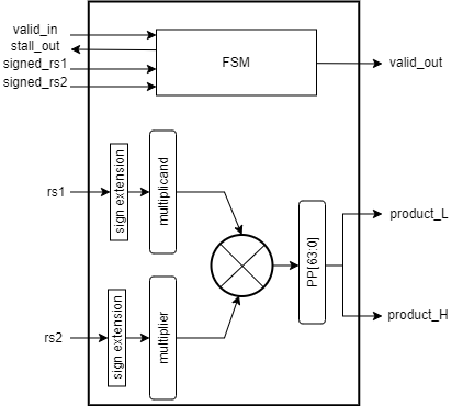
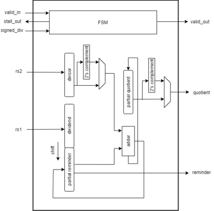
RISC-V, an open instruction set architecture, is getting the attention of soft processor developers. Implementing only a basic 32-bit integer instruction set of RISC-V, which is defined as RV32I, might be satisfactory for embedded systems. However, multiplication and division instructions are not present in RV32I, rather than defined as M-extension. Several research projects have proposed both RV32I and RV32IM processor. However, there is no indication of how much performance can be improved by adding M-extension to RV32I. In other words, when we should consider adding M-extension into the soft processor and how much hardware resource requirements will increase. In this paper, we propose an extension of the RVCoreP soft processor (which implements RV32I instruction set only) to support RISC-V M-extension instructions. A simple fork-join method is used to expand the execution capability to support M-extension instructions as well as a possible future enhancement. We then perform the benchmark using Dhrystone, Coremark, and Embench programs. We found that RV32IM is 1.87 and 3.13 times better in performance for radix-4 and DSP multiplier, respectively. In addition to that, our RV32IM implementation is 13\% better than the equivalent RISC-V processor.


翻译:RISC-V是一个开放的指令设置架构,它正在得到软处理器开发者的注意。 仅仅执行一套基本32位位整数的RISC-V(被定义为RV32I),对嵌入系统来说可能令人满意。 然而,RV32I(RV32I)中没有乘数和分数指令,而没有被界定为M扩展。 一些研究项目提出了RV32I(RV32I)和RV32IM(RV32IM)两个处理器。然而,没有迹象表明通过在RV32I中添加M扩展功能可以改进多少。 换句话说,当我们考虑在软处理器中添加M(被定义为RV32I),以及硬件资源需求会增加多少时,只有32RVC-VC(RVC)软处理器(只执行RV32I)的倍数和分解码,而不是M-M(RV)处理器。 但是,一个简单的叉-join方法被用来扩大执行能力,以支持M- 扩展指令,以及未来可能的改进。 我们然后用Dryst、C(C)和RIM(RM) 3- 和EM) 分别是更好的执行程序。

0
下载
关闭预览

相关内容

最新《Transformers模型》教程,64页ppt
专知会员服务
324+阅读 · 2020年11月26日
专知会员服务
41+阅读 · 2020年9月6日
Linux导论,Introduction to Linux,96页ppt
专知会员服务
82+阅读 · 2020年7月26日
商业数据分析,39页ppt
专知会员服务
165+阅读 · 2020年6月2日
2019年机器学习框架回顾
专知会员服务
36+阅读 · 2019年10月11日
Hierarchically Structured Meta-learning
CreateAMind
27+阅读 · 2019年5月22日
Transferring Knowledge across Learning Processes
CreateAMind
29+阅读 · 2019年5月18日
Call for Participation: Shared Tasks in NLPCC 2019
中国计算机学会
5+阅读 · 2019年3月22日
Unsupervised Learning via Meta-Learning
CreateAMind
43+阅读 · 2019年1月3日
A Technical Overview of AI & ML in 2018 & Trends for 2019
待字闺中
18+阅读 · 2018年12月24日
carla 学习笔记
CreateAMind
9+阅读 · 2018年2月7日
计算机视觉近一年进展综述
机器学习研究会
9+阅读 · 2017年11月25日
【推荐】用Python/OpenCV实现增强现实
机器学习研究会
15+阅读 · 2017年11月16日
【推荐】YOLO实时目标检测(6fps)
机器学习研究会
20+阅读 · 2017年11月5日
【学习】Hierarchical Softmax
机器学习研究会
4+阅读 · 2017年8月6日
Arxiv
25+阅读 · 2020年3月11日
Arxiv
13+阅读 · 2019年4月9日
VIP会员
相关资讯
Hierarchically Structured Meta-learning
CreateAMind
27+阅读 · 2019年5月22日
Transferring Knowledge across Learning Processes
CreateAMind
29+阅读 · 2019年5月18日
Call for Participation: Shared Tasks in NLPCC 2019
中国计算机学会
5+阅读 · 2019年3月22日
Unsupervised Learning via Meta-Learning
CreateAMind
43+阅读 · 2019年1月3日
A Technical Overview of AI & ML in 2018 & Trends for 2019
待字闺中
18+阅读 · 2018年12月24日
carla 学习笔记
CreateAMind
9+阅读 · 2018年2月7日
计算机视觉近一年进展综述
机器学习研究会
9+阅读 · 2017年11月25日
【推荐】用Python/OpenCV实现增强现实
机器学习研究会
15+阅读 · 2017年11月16日
【推荐】YOLO实时目标检测(6fps)
机器学习研究会
20+阅读 · 2017年11月5日
【学习】Hierarchical Softmax
机器学习研究会
4+阅读 · 2017年8月6日
Top
微信扫码咨询专知VIP会员