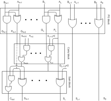
Approximate computing is an emerging paradigm to improve power and performance efficiency for error-resilient application. Recent approximate adders have significantly extended the design space of accuracy-power configurable approximate adders, and find optimal designs by exploring the design space. In this paper, a new energy-efficient heterogeneous block-based approximate adder (HBBA) is proposed; which is a generic/configurable model that can be transformed to a particular adder by defining some configurations. An HBBA, in general, is composed of heterogeneous sub-adders, where each sub-adder can have a different configuration. A set of configurations of all the sub-adders in an HBBA defines its configuration. The block-based adders are approximated through inexact logic configuration and truncated carry chains. HBBA increases design space providing additional design points that fall on the Pareto-front and offer better power-accuracy trade-off compared to other configurations. Furthermore, to avoid Mont-Carlo simulations, we propose an analytical modelling technique to evaluate the probability of error and Probability Mass Function (PMF) of error value. Moreover, the estimation method estimates delay, area and power of heterogeneous block-based approximate adders. Thus, based on the analytical model and estimation method, the optimal configuration under a given error constraint can be selected from the whole design space of the proposed adder model by exhaustive search. The simulation results show that our HBBA provides improved accuracy in terms of error metrics compared to some state-of-the-art approximate adders. HBBA with 32 bits length serves about 15% reduction in area and up to 17% reduction in energy compared to state-of-the-art approximate adders.


翻译:近距离计算是一种新出现的模式,可以提高对错误抗逆应用的功率和性能效率。最近近似添加器大大扩展了精确功率可配置的近似添加器的设计空间,并通过探索设计空间找到了最佳设计。在本文中,提出了一个新的节能混合块基近似添加器(HBBA),这是一个通用/可配置模型,可以通过定义某些配置而转换为特定的添加器。一般而言,HBBA是由各异的子添加器组成的,每个子添加器都可以有不同的配置。HBBA中所有子添加器的一组配置可以定义其配置。基于区块的添加器通过不精确逻辑配置和短程递增的承载链进行近似。HBBA增加了设计空间模型,提供了位于Pareto最前端的更多设计点,提供了与其他配置相比更精确的17级交易。此外,为了避免 Mont-Carlo 模拟,我们建议采用分析模型技术来评估错误的误差率和可探测性精确度,在HBBA中,以最优的缩缩缩略度估算法中,可以提供以显示最佳的节能分析方法的节能估计。

0
下载
关闭预览

相关内容

专知会员服务
16+阅读 · 2021年6月6日
专知会员服务
16+阅读 · 2021年5月21日
专知会员服务
144+阅读 · 2021年3月17日
专知会员服务
23+阅读 · 2021年3月9日
专知会员服务
51+阅读 · 2020年12月14日
【干货书】机器学习速查手册,135页pdf
专知会员服务
127+阅读 · 2020年11月20日
强化学习最新教程,17页pdf
专知会员服务
182+阅读 · 2019年10月11日
MIT新书《强化学习与最优控制》
专知会员服务
281+阅读 · 2019年10月9日
Hierarchically Structured Meta-learning
CreateAMind
27+阅读 · 2019年5月22日
Transferring Knowledge across Learning Processes
CreateAMind
29+阅读 · 2019年5月18日
meta learning 17年:MAML SNAIL
CreateAMind
11+阅读 · 2019年1月2日
A Technical Overview of AI & ML in 2018 & Trends for 2019
待字闺中
18+阅读 · 2018年12月24日
Hierarchical Imitation - Reinforcement Learning
CreateAMind
19+阅读 · 2018年5月25日
【论文】变分推断(Variational inference)的总结
机器学习研究会
39+阅读 · 2017年11月16日
【学习】Hierarchical Softmax
机器学习研究会
4+阅读 · 2017年8月6日
强化学习族谱
CreateAMind
26+阅读 · 2017年8月2日
Arxiv
4+阅读 · 2018年4月26日
Arxiv
5+阅读 · 2017年12月14日
VIP会员
相关VIP内容
专知会员服务
16+阅读 · 2021年6月6日
专知会员服务
16+阅读 · 2021年5月21日
专知会员服务
144+阅读 · 2021年3月17日
专知会员服务
23+阅读 · 2021年3月9日
专知会员服务
51+阅读 · 2020年12月14日
【干货书】机器学习速查手册,135页pdf
专知会员服务
127+阅读 · 2020年11月20日
强化学习最新教程,17页pdf
专知会员服务
182+阅读 · 2019年10月11日
MIT新书《强化学习与最优控制》
专知会员服务
281+阅读 · 2019年10月9日
相关资讯
Hierarchically Structured Meta-learning
CreateAMind
27+阅读 · 2019年5月22日
Transferring Knowledge across Learning Processes
CreateAMind
29+阅读 · 2019年5月18日
meta learning 17年:MAML SNAIL
CreateAMind
11+阅读 · 2019年1月2日
A Technical Overview of AI & ML in 2018 & Trends for 2019
待字闺中
18+阅读 · 2018年12月24日
Hierarchical Imitation - Reinforcement Learning
CreateAMind
19+阅读 · 2018年5月25日
【论文】变分推断(Variational inference)的总结
机器学习研究会
39+阅读 · 2017年11月16日
【学习】Hierarchical Softmax
机器学习研究会
4+阅读 · 2017年8月6日
强化学习族谱
CreateAMind
26+阅读 · 2017年8月2日
Top
微信扫码咨询专知VIP会员