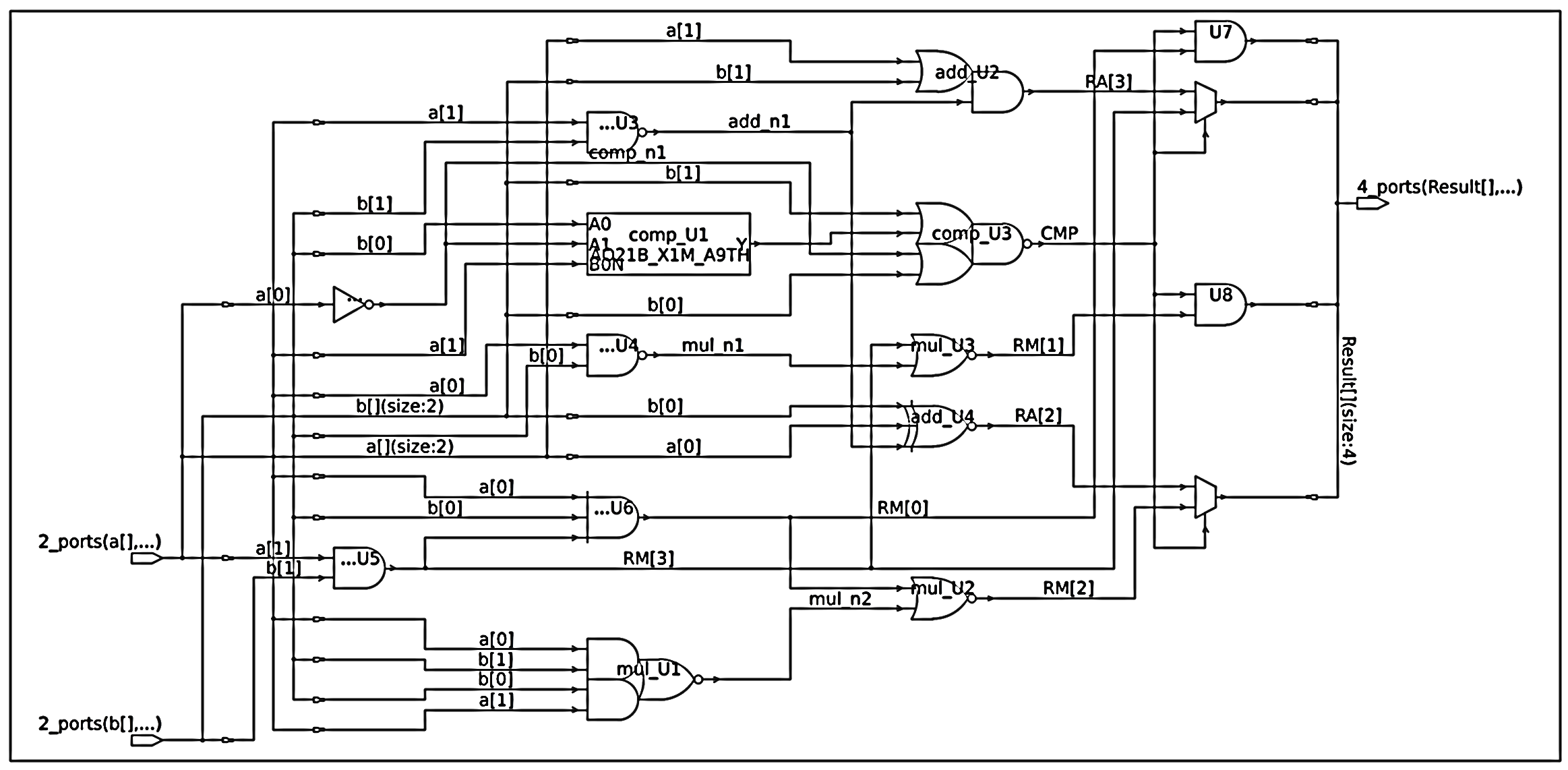
Graph neural networks (GNNs) have pushed the state-of-the-art (SOTA) for performance in learning and predicting on large-scale data present in social networks, biology, etc. Since integrated circuits (ICs) can naturally be represented as graphs, there has been a tremendous surge in employing GNNs for machine learning (ML)-based methods for various aspects of IC design. Given this trajectory, there is a timely need to review and discuss some powerful and versatile GNN approaches for advancing IC design. In this paper, we propose a generic pipeline for tailoring GNN models toward solving challenging problems for IC design. We outline promising options for each pipeline element, and we discuss selected and promising works, like leveraging GNNs to break SOTA logic obfuscation. Our comprehensive overview of GNNs frameworks covers (i) electronic design automation (EDA) and IC design in general, (ii) design of reliable ICs, and (iii) design as well as analysis of secure ICs. We provide our overview and related resources also in the GNN4IC hub at https://github.com/DfX-NYUAD/GNN4IC. Finally, we discuss interesting open problems for future research.


翻译:由于集成电路(ICS)自然可以作为图解来表示,因此在采用基于GNNS的机器学习方法来进行ICS设计的各个方面,在采用基于GNS的机械学习方法方面出现了巨大增长。鉴于这一轨迹,及时需要审查和讨论一些推动ICS设计的强大和多才多艺的GNN方法。在本文件中,我们提议了一种通用管道,用于调整GNN模式,以解决IC设计中具有挑战性的问题。我们概述了每个管道要素的有希望的选择,我们讨论了选定和有希望的工程,例如利用GNNS打破SOTA逻辑模糊。我们对GNNS框架的全面概述包括:(一) 电子设计自动化(EDA) 和IC总体设计,(二) 设计可靠的ICS,以及(三) 设计和分析安全的ICS。我们还在https://github.com/DNU中心提供我们概览和相关资源,供我们讨论GNNN4N4CF.G.LU.

0
下载
关闭预览

相关内容

ICS:International Conference on Supercomputing。 Explanation:国际超级计算会议。 Publisher:ACM。 SIT: http://dblp.uni-trier.de/db/conf/ics/
NeurlPS 2022 | 自然语言处理相关论文分类整理
专知会员服务
51+阅读 · 2022年10月2日
100+篇《自监督学习(Self-Supervised Learning)》论文最新合集
专知会员服务
167+阅读 · 2020年3月18日
[综述]深度学习下的场景文本检测与识别
专知会员服务
78+阅读 · 2019年10月10日
机器学习入门的经验与建议
专知会员服务
94+阅读 · 2019年10月10日
【哈佛大学商学院课程Fall 2019】机器学习可解释性
专知会员服务
105+阅读 · 2019年10月9日
【SIGGRAPH2019】TensorFlow 2.0深度学习计算机图形学应用
专知会员服务
41+阅读 · 2019年10月9日
VCIP 2022 Call for Demos
CCF多媒体专委会
1+阅读 · 2022年6月6日
VCIP 2022 Call for Special Session Proposals
CCF多媒体专委会
1+阅读 · 2022年4月1日
IEEE ICKG 2022: Call for Papers
机器学习与推荐算法
3+阅读 · 2022年3月30日
ACM MM 2022 Call for Papers
CCF多媒体专委会
5+阅读 · 2022年3月29日
IEEE TII Call For Papers
CCF多媒体专委会
3+阅读 · 2022年3月24日
AIART 2022 Call for Papers
CCF多媒体专委会
1+阅读 · 2022年2月13日
【ICIG2021】Check out the hot new trailer of ICIG2021 Symposium4
中国图象图形学学会CSIG
0+阅读 · 2021年11月10日
Hierarchically Structured Meta-learning
CreateAMind
27+阅读 · 2019年5月22日
Transferring Knowledge across Learning Processes
CreateAMind
29+阅读 · 2019年5月18日
A Technical Overview of AI & ML in 2018 & Trends for 2019
待字闺中
18+阅读 · 2018年12月24日
国家自然科学基金
0+阅读 · 2014年12月31日
国家自然科学基金
0+阅读 · 2014年12月31日
国家自然科学基金
0+阅读 · 2013年12月31日
国家自然科学基金
0+阅读 · 2013年12月31日
国家自然科学基金
2+阅读 · 2012年12月31日
国家自然科学基金
0+阅读 · 2012年12月31日
国家自然科学基金
0+阅读 · 2012年12月31日
国家自然科学基金
0+阅读 · 2009年12月31日
国家自然科学基金
0+阅读 · 2008年12月31日
Arxiv
0+阅读 · 2023年1月30日
Arxiv
38+阅读 · 2020年3月10日
A Comprehensive Survey on Graph Neural Networks
Arxiv
21+阅读 · 2019年1月3日
Arxiv
23+阅读 · 2018年10月1日
VIP会员
相关VIP内容
NeurlPS 2022 | 自然语言处理相关论文分类整理
专知会员服务
51+阅读 · 2022年10月2日
100+篇《自监督学习(Self-Supervised Learning)》论文最新合集
专知会员服务
167+阅读 · 2020年3月18日
[综述]深度学习下的场景文本检测与识别
专知会员服务
78+阅读 · 2019年10月10日
机器学习入门的经验与建议
专知会员服务
94+阅读 · 2019年10月10日
【哈佛大学商学院课程Fall 2019】机器学习可解释性
专知会员服务
105+阅读 · 2019年10月9日
【SIGGRAPH2019】TensorFlow 2.0深度学习计算机图形学应用
专知会员服务
41+阅读 · 2019年10月9日
相关资讯
VCIP 2022 Call for Demos
CCF多媒体专委会
1+阅读 · 2022年6月6日
VCIP 2022 Call for Special Session Proposals
CCF多媒体专委会
1+阅读 · 2022年4月1日
IEEE ICKG 2022: Call for Papers
机器学习与推荐算法
3+阅读 · 2022年3月30日
ACM MM 2022 Call for Papers
CCF多媒体专委会
5+阅读 · 2022年3月29日
IEEE TII Call For Papers
CCF多媒体专委会
3+阅读 · 2022年3月24日
AIART 2022 Call for Papers
CCF多媒体专委会
1+阅读 · 2022年2月13日
【ICIG2021】Check out the hot new trailer of ICIG2021 Symposium4
中国图象图形学学会CSIG
0+阅读 · 2021年11月10日
Hierarchically Structured Meta-learning
CreateAMind
27+阅读 · 2019年5月22日
Transferring Knowledge across Learning Processes
CreateAMind
29+阅读 · 2019年5月18日
A Technical Overview of AI & ML in 2018 & Trends for 2019
待字闺中
18+阅读 · 2018年12月24日
相关基金
国家自然科学基金
0+阅读 · 2014年12月31日
国家自然科学基金
0+阅读 · 2014年12月31日
国家自然科学基金
0+阅读 · 2013年12月31日
国家自然科学基金
0+阅读 · 2013年12月31日
国家自然科学基金
2+阅读 · 2012年12月31日
国家自然科学基金
0+阅读 · 2012年12月31日
国家自然科学基金
0+阅读 · 2012年12月31日
国家自然科学基金
0+阅读 · 2009年12月31日
国家自然科学基金
0+阅读 · 2008年12月31日
Top
微信扫码咨询专知VIP会员