美军及北约部队的力量投送手段正面临新兴技术威胁。作为回应,一种涵盖集成多域平台的模块化部队设计已在开发。为充分利用新兴技术解决方案,作战规划同样需要相应的升级。多域环境下的作战规划历来是项艰巨任务,随着作战单元数量和行动规模的扩大,其复杂性愈发凸显。大型战役规划通常需将规划流程细分为多个子计划,随后再整合为整体战役。这种联合作战规划中自然形成的系统簇方法,本质上是基于模块化规划理念;然而,当前缺乏从模块化组件构建更大规模作战计划的正式框架。本研究通过范畴论的应用勾勒出此类框架。范畴论作为系统理论中建模模块化的天然数学工具,将其应用于多域作战规划场景的模块化建模。最终形成的正式化框架,为研究如何将多个作战域的计划组合生成大规模战役的系统之系统计划提供了理论支撑。

美国及其北约盟国自苏联解体以来,始终保持着技术相对优势的态势。然而这种优势正逐步消减,实力相当与准相当国家的军事能力持续提升。"反介入/区域拒止"概念特指那些削弱盟军力量投送与远程指挥控制能力的变革。关键背景挑战在于美北约依赖高度复杂昂贵的武器系统,这赋予反介入/区域拒止策略更强效力。

为应对反介入/区域拒止与体系化战争威胁,采用马赛克概念部署动态兵力编组实属必要,但仅此仍显不足。实施马赛克作战意味着真实物资装备必须在盟国、军种、领域和平台间实现互联互通,这构成严峻技术挑战。当跨国、跨军种、跨域平台实现互操作后,需将其整合为兵力编组——即复合系统——以达成预期作战效果。上述所有概念均以适当的兵力设计与规划方法为前提。本文认为必须对联合战役规划流程进行类似审视,以发挥模块化优势。当下探索模块化的恰当时机在于多域作战领域。美国多域作战条令(及其规划)涵盖两个以上作战域。北约将多域作战定义为"跨所有域与环境的军事行动协同,配合非军事行动,使联盟能够在相关节奏下形成聚合效应"。

多域作战依定义涉及分离的作战域;然而具体行动可能需同步依赖或经由多个域的资产。在多域作战战役规划中,可运用条令性结构包括分支计划、后续计划、阶段划分与支援关系。为充分发挥模块化马赛克作战对抗同级与准同级挑战的优势,规划者需要配套的模块化联合多域作战规划模型,该模型需整合这些重要条令性规划结构。下文将探讨联合规划的其他相关方面。

鉴于安全环境的动态特性与应对挑战的技术手段,联合战役规划方法需要更新模型。亟需一种描绘多域作战规划模块化特征的方法。非正式图表常被用于排布作战行动与描述联合战役规划中的结构要素,如分阶段规划、分支计划、后续计划与支援计划。基础子结构通过组合形成更大规模计划。然而规划图表的非正式性限制其分析深度。为实现形式化表达,我们采用范畴论数学语言,并将军事计划编码为凸数学规划。

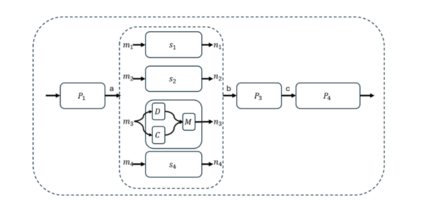
图 5:替代 COA 后的作战规划字符串图。

成为VIP会员查看完整内容
44

相关内容

人工智能在军事中可用于多项任务,例如目标识别、大数据处理、作战系统、网络安全、后勤运输、战争医疗、威胁和安全监测以及战斗模拟和训练。
《城市环境下的多域作战》
专知会员服务
41+阅读 · 1月7日
《新兴技术要求系统性视角看待军事能力》
专知会员服务
40+阅读 · 2024年12月17日
《新兴技术要求从系统角度看待军事能力》
专知会员服务
29+阅读 · 2024年12月8日
《建立 “国防系统簇(SoS) ”概念框架》
专知会员服务
46+阅读 · 2024年12月1日
《优化联合战备状态》
专知会员服务
20+阅读 · 2024年8月14日
《多域作战的维持考虑因素》48页
专知会员服务
33+阅读 · 2024年1月5日
《下一代蜂群战的指挥与控制(C2)》
专知会员服务
102+阅读 · 2023年12月22日
《数据赋能作战决策》
专知会员服务
214+阅读 · 2023年4月14日
国外有人/无人平台协同作战概述
无人机
117+阅读 · 2019年5月28日
反无人机技术的方法与难点
无人机
28+阅读 · 2019年4月30日
国家自然科学基金
325+阅读 · 2017年12月31日
国家自然科学基金
9+阅读 · 2017年12月31日
国家自然科学基金
2+阅读 · 2015年12月31日
国家自然科学基金
0+阅读 · 2014年12月31日
国家自然科学基金
4+阅读 · 2014年12月31日
国家自然科学基金
40+阅读 · 2014年12月31日
国家自然科学基金
47+阅读 · 2013年12月31日
国家自然科学基金
38+阅读 · 2013年12月31日
国家自然科学基金
10+阅读 · 2012年12月31日
国家自然科学基金
53+阅读 · 2011年12月31日
Arxiv
172+阅读 · 2023年4月20日
A Survey of Large Language Models
Arxiv
487+阅读 · 2023年3月31日
Arxiv
80+阅读 · 2023年3月26日
Arxiv
177+阅读 · 2023年3月24日
Arxiv
25+阅读 · 2023年3月17日
VIP会员
相关VIP内容
《城市环境下的多域作战》
专知会员服务
41+阅读 · 1月7日
《新兴技术要求系统性视角看待军事能力》
专知会员服务
40+阅读 · 2024年12月17日
《新兴技术要求从系统角度看待军事能力》
专知会员服务
29+阅读 · 2024年12月8日
《建立 “国防系统簇(SoS) ”概念框架》
专知会员服务
46+阅读 · 2024年12月1日
《优化联合战备状态》
专知会员服务
20+阅读 · 2024年8月14日
《多域作战的维持考虑因素》48页
专知会员服务
33+阅读 · 2024年1月5日
《下一代蜂群战的指挥与控制(C2)》
专知会员服务
102+阅读 · 2023年12月22日
《数据赋能作战决策》
专知会员服务
214+阅读 · 2023年4月14日
相关基金
国家自然科学基金
325+阅读 · 2017年12月31日
国家自然科学基金
9+阅读 · 2017年12月31日
国家自然科学基金
2+阅读 · 2015年12月31日
国家自然科学基金
0+阅读 · 2014年12月31日
国家自然科学基金
4+阅读 · 2014年12月31日
国家自然科学基金
40+阅读 · 2014年12月31日
国家自然科学基金
47+阅读 · 2013年12月31日
国家自然科学基金
38+阅读 · 2013年12月31日
国家自然科学基金
10+阅读 · 2012年12月31日
国家自然科学基金
53+阅读 · 2011年12月31日
微信扫码咨询专知VIP会员